Description
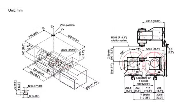
The TERA 50VT is MICRO DYNAMICS’s 4+1 Axis Vertical Trunnion Table Machining Center, featuring a powerful 40 Taper built-in spindle (15,000 rpm, 41 hp) and rapid feed rates up to 1,889 ipm for high-speed performance. Designed for high rigidity with FC300 Meehanite casting and a Roller Gear Cam mechanism for zero-backlash rotary motion, it allows for complete process consolidation with the capacity to machine six faces in one cycle. It offers a minimal footprint and includes advanced features like the DYPEC Thermal Compensation and a high-speed 1.2-second Tool-to-Tool ATC.


























Reviews
There are no reviews yet.