Description
The EMCO HYPERTURN 110 is a high-performance CNC turning machine from the HYPERTURN series- engineered for complete processing of complex turned and milled parts. Featuring two powerful A2-11 spindles– two 12-position VDI 40 tool turrets with driven tools– and optional Y-axes and BMT direct-drive turrets– it offers exceptional rigidity, drive performance, and flexibility for bar feeding up to 110 mm and turning diameters up to 710 mm.
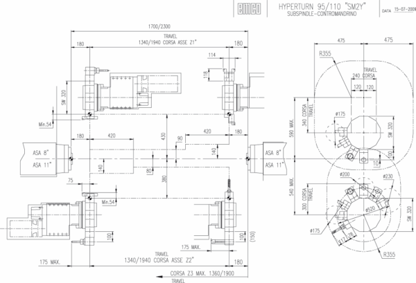
Travel in Z1 with B-axis / with tool turret: / Z2 1300/1900 (1340/1940) / 1340/1940mm
Counter spindle travel: 1360/1960mm
Swing over bed: 720mm
Distance between spindle noses: 1700 / 2300mm
Max. turning diameter: 710mm








Reviews
There are no reviews yet.