Description
The EMCO HYPERTURN 95 is a high-performance CNC turning machine designed for complex, complete machining of shafts and chuck parts up to 710 mm turning diameter. Featuring two spindles, two tool turrets with 12 driven tools each, and a stable C-axis, this machine offers exceptional power, precision, and flexibility to maximize productivity in one setup. Key features include a 95 mm max spindle diameter, a 33 kW main spindle drive, and an optional full NC tailstock or Y-axis for advanced mill-turn operations.
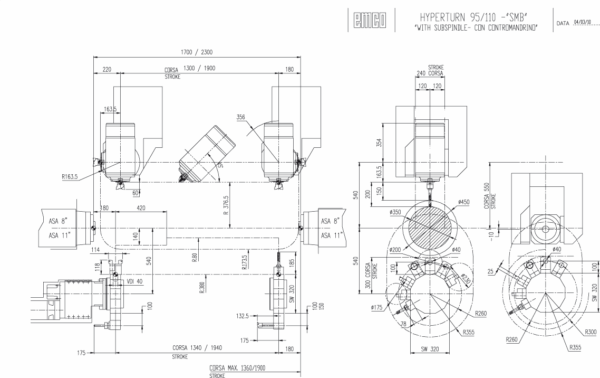
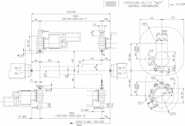
Travel in Z1 with B-axis: / with tool turret / Z2 1300/1900 (1340/1940) / 1340/1940mm
Counter spindle travel: 1360/1960mm
Swing over bed: 720mm
Distance between spindle noses: 1700 / 2300mm
Max. turning diameter: 710mm








Reviews
There are no reviews yet.