Description
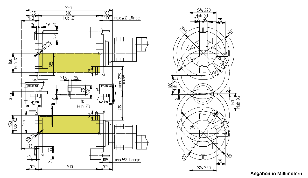
Slide travel in X / X2: 160 / 150mm
Slide travel in Z / Z2 / Z3: 510 / 510 / 510mm
Travel in Y: +40 / -30mm
Swing over bed: Ø 430mm
Swing over cross slide: Ø 300mm
Distance from main spindle to counter spindle: 720mm
Slide travel in Z / Z2 / Z3: 510 / 510 / 510mm
Travel in Y: +40 / -30mm
Swing over bed: Ø 430mm
Swing over cross slide: Ø 300mm
Distance from main spindle to counter spindle: 720mm














Reviews
There are no reviews yet.